Montage und Handhabung
Kontakt
Baureihe
11.3800

Hydraulik-Zubehör

Hochdruckschläuche, Anschlussblöcke
Kupplungen und Steckverbindungen
Hydraulik-Zubehör
Downloads
Katalogblatt
Betriebsanleitung
Auf Anfrage.
Informationen Baureihe
Beschreibung
Hochdruckschläuche NW4

in variablen Längen und Anschlüssen

Die frei wählbaren Schlauchlängen sollten möglichst großzügig bemessen sein, um Knickungen, Scheuerstellen, Verdrehungen, Zug- und Stauchbelastungen sowie unzulässige Biegeradien zu vermeiden. Vor heißen Spänen schützen.
Berstdruck 2000 bar, kleinster Biegeradius 100 mm.
Weitere Informationen siehe DIN 20066.

11.3800 Hochdruck-Hydraulikschlauch DN4
11.3800 Hochdruck-Hydraulikschlauch DN4
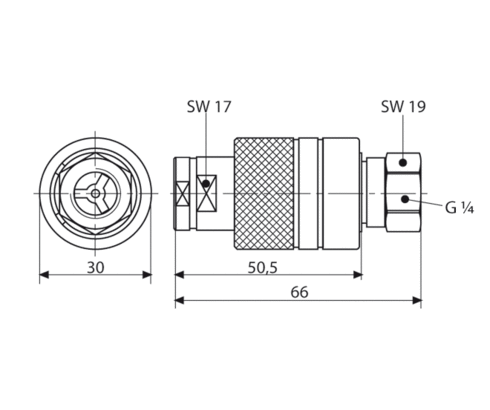
Schnellverschlusskupplung G 1/4

Die Schnellverschlusskupplung ist eine beim Lösen automatisch verschließende Kupplung in robuster Bauweise. Der An- bzw. Abkupplungsvorgang erfolgt in drucklosem Zustand. Das Verschieben der Arretierhülse in die jeweilige An- bzw. Abkuppelrichtung ermöglicht eine bequeme Einhandbedienung.

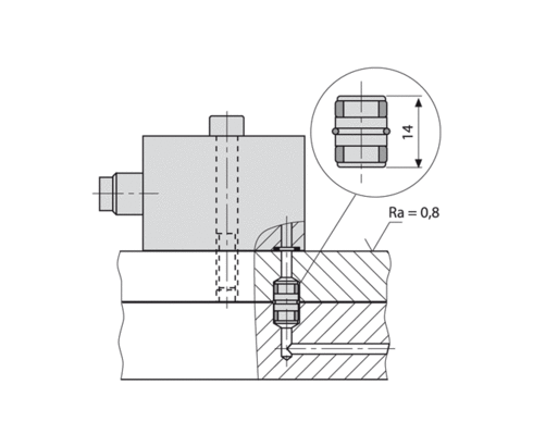
Anschlussblock

mit hydraulisch entsperrbaren Rückschlagventilen

Anschlussgewinde:

  • 2 x G 3/8 + 6 x G 1/4
  • 8 x G 3/8
Steckverbindungen

für Platten und Verrohrungsleisten

max. 500 bar, Nennweite 5 mm,
kurze oder lange Ausführung